北京市凌鷹起重機械廠
地址:北京市昌平區東小口
二十四小時手機:18611422091(同微信)
傳真: 010-58043523
抖音:lyqz18611422091
掃一掃加微信好友




手拉葫蘆,是目前常用的起重吊裝設備,具有可靠性高、使用靈活簡單、適應性強等特點,也是現階段煤礦生產中液壓支架吊裝、設備安裝、單體支柱回收、大型工件運輸等作業的主要吊裝設備,但存在勞動強度大、作業效率低、操作時人員起吊現場太近,安全不易保證等缺點。根據上述缺點北京凌鷹創新了一種手拉葫蘆液壓驅動裝置,解決了手拉葫蘆在煤礦操作中不能確保安全的問題。
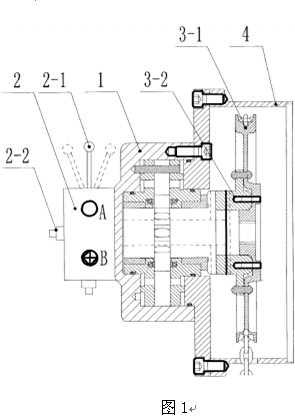
(1)具體方案如圖1所示,一種手拉葫蘆液壓驅動裝置由非圓輪系乳化液馬達1、集成閥組2、專用聯軸器3、快速聯接機構4共計四部分組成。
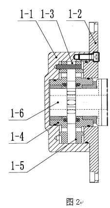
(2)如圖2所示,其中:非圓輪系液壓馬達1主要由殼體1-1、前端蓋1-2、非圓輪齒輪組1-3、上配流盤1-4、下配流盤1-5、軸1-6組成,該部分的主要功能是將壓力水、壓力油等液壓源的液壓能轉換成旋轉的機械能驅動手拉葫蘆進行工作。如圖5所示,所述非圓輪齒輪組由外齒圈1-3-1、轉子1-3-2及滾輪1-3-3組成,所述滾輪1-3-3設在內部,轉子1-3-2設在滾輪1-3-3和外齒圈1-3-1中間,通過轉子1-3-2帶動滾輪1-3-3和外齒圈1-3-1轉動。
(3) 如圖1所示,集成閥塊2主要由三位四通換向閥2-1、平衡閥2-2組成,其中2-1的功能是控制非圓輪系液壓馬達1的旋轉方向,平衡閥2-2的功能是保持1-1運行平穩,并通過限制其供液系統的高工作壓力來實現對本裝置的大輸出力進行限定。
(4)如圖1所示,專用聯軸器3的由超越離合器3-1、鏈輪3-2組成,其功能一是實現非圓輪系液壓馬達與減速機構的動力聯接,二是實現在使用其原手拉功能時保證手拉葫蘆的減速、 制動機構與非圓輪系液壓馬達1有效脫開。
(5)快速連接機構4的主要功能是實現非圓輪系液壓馬達1與手拉葫蘆的快速聯接,主要由外套、抱緊機構組成。其主要功能是保證同軸度的前提下將本裝置與手拉葫蘆快速可靠連接。
這種手拉葫蘆液壓裝置的設計不改變原有手拉葫蘆的原有性能,在普通手拉葫蘆加裝該裝置后,可以以高壓水、煤礦乳化液為動力源驅動手拉葫蘆進行作業,提高作業效率,煤礦安全高效生產。
?


?
?
?
?
?
?
?
上一條:解析電動葫蘆安全制動器的“內臟結構”及工作原理
下一條:不容小覷的鋼絲繩電動葫蘆使用規則